Forged steel flanges are among the most widely used components in industrial piping systems. Thanks to their high mechanical strength, excellent pressure and temperature resistance, forged flanges are ideal for demanding applications in oil & gas, chemical processing, power generation, and water treatment.
In this article, Sunjin Metals Vina (SJM Vina) provides a detailed look into the manufacturing process of forged steel flanges—from raw material selection to machining and final quality checks—to help customers better understand the technical value behind each flange.
When designing and installing industrial piping systems, understanding the dimensions of steel pipes is crucial. At Sunjin Metals Vina (SJM Vina), we provide a full range of steel pipes and pipe fittings in accordance with international standards – ensuring precise fit, safety, and optimal flow capacity.
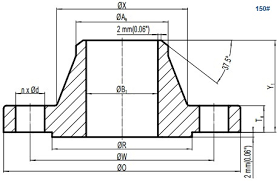
Steel flanges are essential components in industrial piping systems, particularly in industries such as oil and gas, chemicals, water supply, and power generation. The ANSI B16.5 standard is one of the most widely used standards globally, defining the dimensions, pressure ratings, and materials of steel flanges. At Sunjin Metals Vina (SJM Vina), we pride ourselves on supplying high-quality ANSI B16.5 steel flanges that meet the stringent requirements of industrial projects.
In this article, we provide a detailed ANSI B16.5 steel flange size chart, clear explanations of technical specifications, an easy-to-understand example, and reasons why SJM Vina is your trusted partner for piping material solutions.
In industrial piping systems, especially those handling liquids or gases, flanges are essential for connecting pipes, valves, and equipment. Besides flange type (weld neck, slip-on, threaded...), another critical factor to consider is the pressure rating, commonly referred to as Class 150, 300, 600, etc.
But what exactly does “Class 150” or “Class 300” mean? How do we choose the correct flange class for different pressure levels? In this article, Sunjin Metals Vina (SJM Vina) will help you clearly understand the meaning behind these classes and how to select the right one based on working conditions.
In high-pressure industrial piping systems, choosing the right flange type is critical for ensuring safety, leak prevention, and system longevity. Among all flange types, the Welding Neck Flange (WN Flange) stands out as the most reliable and widely used option, especially in demanding applications involving high pressure and temperature.
In this article, Sunjin Metals Vina (SJM Vina) will walk you through the structure, advantages, and typical applications of WN flanges, along with practical examples from real-world industries.
Valves are essential components in piping systems, from large-scale industrial projects to household applications. However, not everyone understands the differences between industrial valves and domestic valves. In this article, we will explore these two types of valves, covering their characteristics, applications, and real-world examples, while introducing a trusted supplier of high-quality valves and piping materials – Sunjin Metals Vina (SJM Vina).
Steel pipes are one of the most essential materials used across various industries, including construction, oil and gas, water supply, and mechanical manufacturing. As the market develops, customers in Vietnam now have two main options: imported steel pipes and domestic steel pipes. But which one is the better choice for your project?
At Sunjin Metals Vina (SJM Vina), we supply both high-quality imported and domestic steel pipes to meet every demand. In this article, let’s explore the differences, advantages, disadvantages, and how to choose the right type of steel pipe for your project.






